|
|
|
|
|
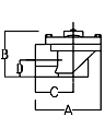
LPDA※※A系列
尺寸範圍:3/4" ~ 3"
出入口形式:出口內縲紋、入口內縲紋
|
   |
  |
  |
  |
  |
Model |
LPDA20A |
LPDA25A |
LPDA40A |
LPDA45A |
INCHES |
3/4" |
1" |
1 1/2" |
1 1/2" |
ORIFICE |
A |
78 |
92 |
130 |
130 |
B |
65 |
80 |
90 |
108 |
C |
43 |
52 |
73 |
73 |
D |
22 |
37 |
32 |
32 |
E |
65 |
65 |
65 |
73 |
|
   |
  |
  |
  |
Model |
LPDA50A |
LPDA65A |
LPDA80A |
INCHES |
2" |
2 1/2" |
3" |
ORIFICE |
A |
186 |
186 |
228 |
B |
145 |
145 |
170 |
C |
103 |
103 |
125 |
D |
46 |
46 |
55 |
E |
73 |
73 |
73 |
|
LPDB※※A系列
尺寸範圍:3/4" ~ 1 1/2 "
出入口形式:出口束管、入口內縲紋
|
   |
  |
  |
  |
  |
Model |
LPDB20A |
LPDB25A |
LPDB40A |
LPDB45A |
INCHES |
3/4" |
1" |
1 1/2" |
1 1/2 " |
ORIFICE |
A |
60 |
98 |
130 |
130 |
B |
87 |
117 |
139 |
157 |
C |
50 |
55 |
73 |
73 |
D |
44 |
73 |
80 |
80 |
E |
65 |
65 |
65 |
73 |
|
LPDC※※A系列
尺寸範圍:3/4" ~ 1 1/2"
出入口形式:出口束管、入口束管
|
   |
  |
  |
  |
  |
Model |
LPDC20A |
LPDC25A |
LPDC40A |
LPDC45A |
INCHES |
3/4" |
1" |
1 1/2" |
1 1/2" |
ORIFICE |
A |
103 |
123 |
157 |
157 |
B |
87 |
117 |
139 |
157 |
C |
69 |
80 |
100 |
100 |
D |
44 |
73 |
80 |
80 |
E |
65 |
65 |
65 |
73 |
|
LPDD※※A系列
尺寸範圍:2" ~ 3"
出入口形式:淹沒式
|
   |
  |
  |
  |
Model |
LPDD50A |
LPDD65A |
LPDD80A |
INCHES |
2" |
2 1/2" |
3" |
ORIFICE |
A |
164 |
164 |
207 |
B |
116 |
116 |
125 |
C |
200 |
200 |
249 |
D |
- |
- |
- |
E |
73 |
73 |
73 |
|
|
|