|
|
|
|
| |
产品查询结果 |
|
|
|
1/8" 不 钢 3/2 WAY 电 磁 阀 |
管牙尺寸 |
产品型号 |
Cv 值 |
流量孔径 |
使用压力 bar |
B 二条出线式接线 |
C 插接端子式接线 |
交流电压(AC) |
直流电压(DC) |
|
1/8" |
LHYS062B |
LHYS062C |
0.10 |
1.6
|
7 |
7 |
|
1/8" |
LHYS063B |
LHYS063C |
0.23 |
2.5
|
5 |
5 |
|
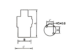
管牙尺寸 |
A |
B |
C |
D |
1/8 |
93 |
Ø30 |
15.2 |
17.8 |
|
   |
   |
|
|
1/4" 不 钢 3/2 WAY 电 磁 阀 |
管牙尺寸 |
产品型号 |
Cv 值 |
流量孔径 |
使用压力 bar |
B 二条出线式接线 |
C 插接端子式接线 |
交流电压(AC) |
直流电压(DC) |
|
1/4" |
LHYS082B |
LHYS082C |
0.10 |
1.6
|
7 |
7 |
|
1/4" |
LHYS083B |
LHYS083C |
0.23 |
2.5
|
5 |
5 |
|
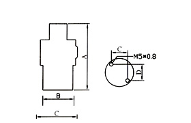
管牙尺寸 |
A |
B |
C |
D |
1/4 |
94 |
Ø35 |
16 |
22 |
|
   |
   |
|
|
|
|