滤袋
电磁阀
气动阀
多功能控制显示面版
  产品查询结果    

1/8" 不钢 2/2WAY 常闭型电磁阀
管牙尺寸
产品型号
Cv 值
流量孔径
使用压力 bar
B 二条出线式接线
C 插接端子式接线
交流电压(AC)
直流电压(DC)
1/8"
LHCS062B
LHCS062C
0.10
1.6
40
20
1/8"
LHCS063B
LHCS063C
0.23
2.5
25
10
1/8"
LHCS064B
LHCS064C
0.33
3.2
15
8
1/8"
LHCS065B
LHCS065C
0.43
4
7
5
1/8"
LHCS066B
LHCS066C
0.50
5
5
3

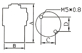
管牙尺寸
A
B
C
D
1/8
69.5
Ø30
15.2
17.8

 
 

1/8" 不钢 2/2 WAY 常闭型电磁阀
管牙尺寸
产品型号
Cv 值
流量孔径
使用压力 bar
B 二条出线式接线
C 插接端子式接线
交流电压(AC)
直流电压(DC)
1/8"
LHCS067B
LHCS067C
0.10
1.6
10
8
1/8"
LHCS068B
LHCS068C
0.23
2.5
7
5

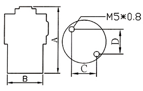
管牙尺寸
A
B
C
D
1/8
Ø25
52
18
-

 
 

1/4" 不钢 2/2 WAY 常闭型电磁阀
管牙尺寸
产品型号
Cv 值
流量孔径
使用压力 bar
B 二条出线式接线
C 插接端子式接线
交流电压(AC)
直流电压(DC)
1/4"
LHCS082B
LHCS082C
0.10
1.6
40
20
1/4"
LHCS083B
LHCS083C
0.23
2.5
25
10
1/4"
LHCS084B
LHCS084C
0.33
3.2
15
8
1/4"
LHCS085B
LHCS085C
0.43
4
7
5
1/4"
LHCS086B
LHCS086C
0.50
5
5
3

管牙尺寸
A
B
C
D
1/4
71.5
Ø35
16
22