|
|
|
|
| |
产品查询结果 |
|
|
|
1/8" 不 钢 2/2 WAY 常 开 型 电 磁 阀 |
管牙尺寸 |
产品型号 |
Cv 值 |
流量孔径 |
使用压力 bar |
B 二条出线式接线 |
C 插接端子式接线 |
交流电压(AC) |
直流电压(DC) |
|
1/8" |
LHOS061B |
LHOS061C |
0.07 |
1.2
|
15 |
15 |
|
1/8" |
LHOS062B |
LHOS062C |
0.10 |
1.6
|
10 |
10 |
|
1/8" |
LHOS063B |
LHOS063C |
0.23 |
2.5
|
7 |
7 |
|
1/8" |
LHOS064B |
LHOS064C |
0.33 |
3.2
|
5 |
5 |
|
1/8" |
LHOS065B |
LHOS065C |
0.43 |
4
|
3 |
3 |
|
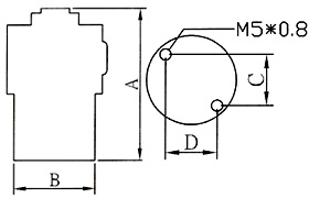
管牙尺寸 |
A |
B |
C |
D |
1/8 |
69.5 |
Ø30 |
15.2 |
17.8 |
|
   |
   |
|
|
1/4" 不 钢 2/2 WAY 常 开 型 电 磁 阀 |
管牙尺寸 |
产品型号 |
Cv 值 |
流量孔径 |
使用压力 bar |
B 二条出线式接线 |
C 插接端子式接线 |
交流电压(AC) |
直流电压(DC) |
|
1/4" |
LHOS081B |
LHOS081C |
0.07 |
1.2
|
15 |
15 |
|
1/4" |
LHOS082B |
LHOS082C |
0.10 |
1.6
|
10 |
10 |
|
1/4" |
LHOS083B |
LHOS083C |
0.23 |
2.5
|
7 |
7 |
|
1/4" |
LHOS084B |
LHOS084C |
0.33 |
3.2
|
5 |
5 |
|
1/4" |
LHOS085B |
LHOS085C |
0.43 |
4
|
3 |
3 |
|
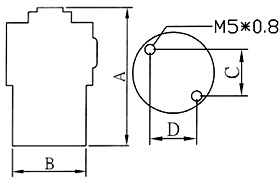
管牙尺寸 |
A |
B |
C |
D |
1/4 |
71.5 |
Ø35 |
16 |
22 |
|
   |
   |
|
|
|
|